专业旋转阀,关风机,星型卸料器相关输送设备供应商二十年品牌
中文版 / ENGLISH
关于锋杰
公司视频
发展历程
荣誉资质
产品中心
旋转阀
关风机
卸料器
破碎机
螺旋输送机
锂电池行业
应用行业
新能源行业
玉米深加工行业
粮油饲料行业
食品行业
化工行业
制药行业
干燥行业
环保行业
服务支持
售后维护
技术支持
备件
新闻资讯
公司新闻
行业资讯
联系我们
联系方式
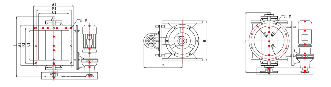
LGFWE型卸料器
上一页
无
无重力混合机
下一页
留言询价